PWM や DAC の出力範囲を変える
- PWM 信号は普通 0-5V などだが、1.5V-3.5V とかに変換したい
- その際、電源ソースを変更したい。
- PWMソースとは別の安定した電源から 1.5V-3.5V をとりだしたい
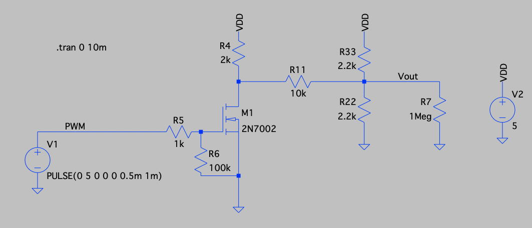
このようにMOSFETのレベルシフタと分圧抵抗でオフセットさせる。
出力を計算する
回路シミュレータ使って試行錯誤するのが一番簡単だが、一応自分で計算して、直接抵抗比を求められるようにしておく。
入力電圧 を図のような回路に入力したときの を求める。
テブナンの定理を使って計算していく。 と で分圧されている部分を内部抵抗のある電圧源に置き換える。このため、 を外した状態での の値 と、その内部抵抗 を求める。 は と で分圧された値なので、。内部抵抗を求める場合、既存の電圧源はショートして考えれば良いので、 と の並列合成抵抗 。
ここで は と によって分圧された出力なので、。
以下の通り
出力電圧範囲と中心電圧から抵抗値を求める。
入出力関数 を以下のようにする
入力電圧の最小・最大がそれぞれ のとき、出力電圧範囲 と中心電圧 はそれぞれ以下のようになる。
連立方程式を適当に計算すると、 を決めたときのほかの抵抗の値は以下のようになる。
入力電圧の最小値 が0の場合は
JS
JS のコードにするとこういう感じ
const V_center = 2.5;
const V_range = 1;
const V_SS = -5;
const V_DD = 5;
const V_min = 0;
const V_max = 5;
const R_1 = 11e3;
const R_2 = ((2*R_1*V_SS-2*R_1*V_DD)*V_range)/((V_min+V_max-2*V_SS)*V_range+(2*V_center-2*V_SS)*V_min+(2*V_SS-2*V_center)*V_max);
const R_3 = -((2*R_1*V_SS-2*R_1*V_DD)*V_range)/((V_min+V_max-2*V_DD)*V_range+(2*V_center-2*V_DD)*V_min+(2*V_DD-2*V_center)*V_max);
// re-calculate R_23 V_23 for reference
const R_23 = (R_2 * R_3) / (R_2 + R_3);
const V_23 = (V_DD - V_SS) * (R_3 / (R_2 + R_3)) + V_SS;
console.log({R_1, R_2, R_3, R_23, V_23});
for (let V_in of [0, 2.5, 5]) {
const V_out=(R_2*R_3*V_in+R_1*R_2*V_SS+R_1*R_3*V_DD)/(R_2*R_3+R_1*R_3+R_1*R_2);
console.log({V_in, V_out});
} 関連エントリー
- 伝送路中の定在波の最大電圧と最大電流 伝送路インピーダンス50Ω 送信機出力 50W では、完全に整合していれば、50Vrms 1A になる。ただ、SWR が悪化すると (すなわ...
- Benchmark.js の結果表示を改善する Benchmark.js ちゃんと使えるので良いのですが、計測を頑張っている割に結果表示が貧弱というのが悲しいところです。 なので Perl...
- 74HC04 の出力インピーダンス データシートにまさにこれという値は載っていないので計算する必要がある。VCC などによって出力インピーダンスが変わってくる。 たとえば To...
- NMEA ログから衛星のスカイビューを生成する 既にある NMEA のログから、どの衛星が強く受信できているかをプロットしてみる。 ファイルを指定して png を書き出すコードを node...
- 12bit DAC 2つで 24bit DAC? MCP4922 などの使用例に書いてあるやつを考えてみる。http://akizukidenshi.com/download/MCP4922...
