手元にあるのは Original Prusa i3 MK2 についてきた PINDA Probe (温度センサなし) のやつなのでこれを試してみる。ついてきたやつなので詳細なスペックは不明。
誘導型近接センサは NPN/PNP の違いと Normally On / Normally Off の違いがある。これは M8 1.0mmピッチ(細目) NPN NC タイプ 5V。動作原理とかはオムロンのサイトが詳しい
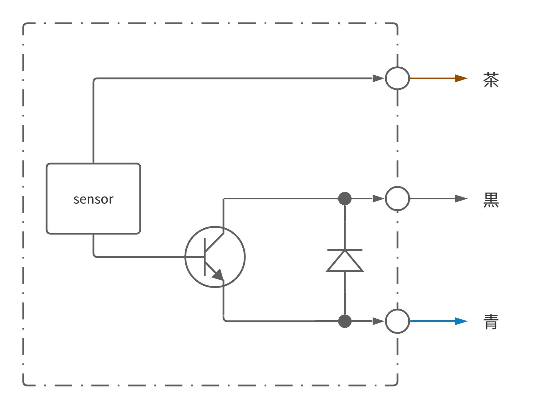
上の図のうち、点線でかこまれている部分を含んでセンサ本体になっている。
- 茶: VCC (5V)
- 黒: Out
- 青: GND
VCC Out 間に負荷抵抗 (10kΩとか) つけてプルアップする。
ネジピッチが細目なので手元にあるナットが入らなかった。
鉄とアルミでは検出距離が違うはずなので検証してみた。
鉄
2mm ぐらい。
アルミ
0.5mm ぐらい。
アルミ相手に非接触センサとして使うにはちょっとこわい。


